Kaifeng Electron
Kaifeng Electron
凯峰电子
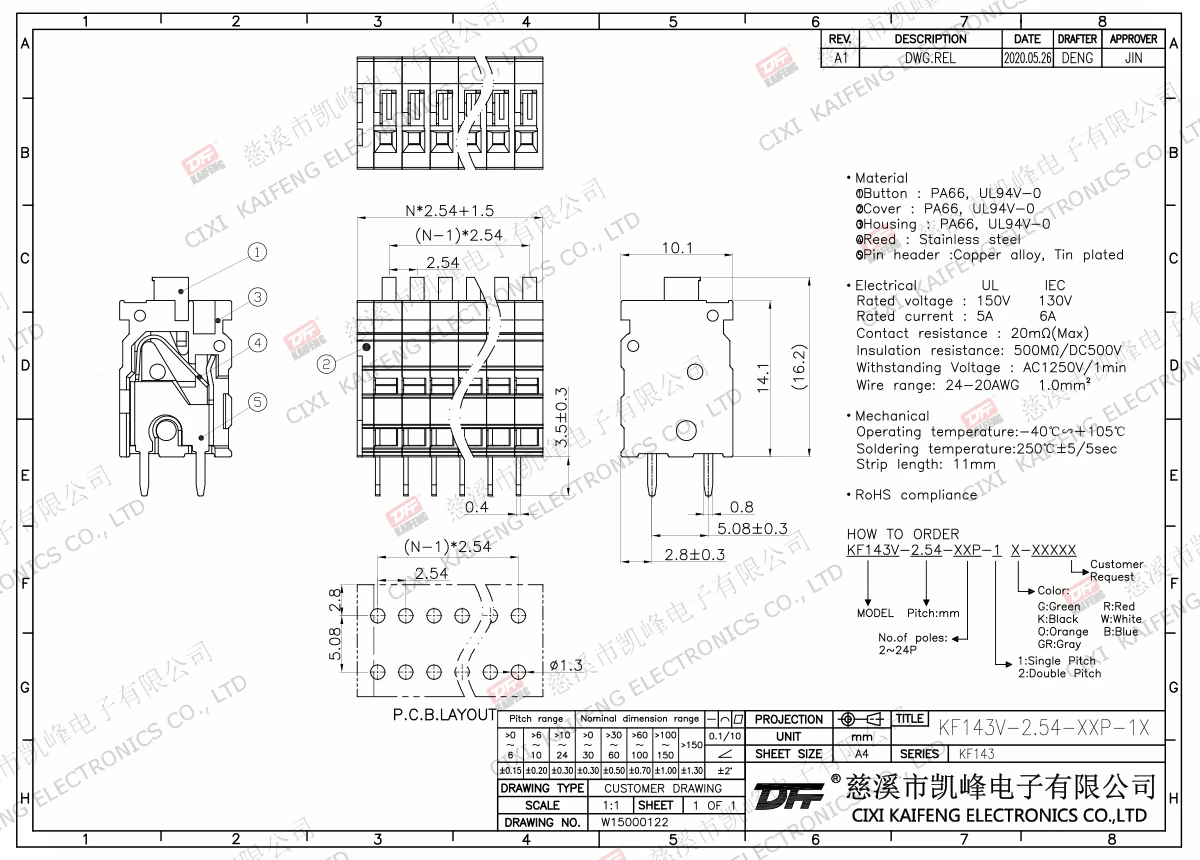
PCB Terminal Block KF143V-2.54mm
Material:①Button:PA66,UL94V-0②Cover:PA66,UL94V-0③Button:PA66,UL94V-0④Reed:Stainless steel⑤Pin header:Brass,Tin platedElectricalULIECRated voltage150V 130V Rated current5A6AContact resistance20mΩInsulation resistance500MΩ/DC500VWithstanding voltage AC1250V/1minWire range24-20AWG 1.0mm²MechanlicalTemp.rang-40℃~+105℃ Max.soldering+250℃,5sec
Color
  • Kaifeng Electron
Line count
  • 01P
  • 02P
  • 03P
  • 04P
  • 05P
  • 06P
  • 07P
  • 08P
  • 09P
  • 10P
  • 11P
  • 12P
  • 13P
  • 14P
  • 15P
  • 16P
  • 17P
  • 18P
  • 19P
  • 20P
  • 21P
  • 22P
  • 23P
  • 24P
Product Drawing
Kaifeng Electron
Material
  • Button
    PA66,UL94V-0
  • Cover
    PA66,UL94V-0
  • Housing
    PA66,UL94V-0
  • Reed
    Stainless steel
  • Pin header
    Brass, tinned
Electrical
  • Rated voltage
    150V UL丨 130V lEC
  • Rated current
    5A UL丨 6A lEC
  • Contact resistance
    20mΩC
  • Insulation resistance
    500MΩ\DC500V
  • Withstanding voltage
    AC1250V\1Min
  • Wire range
    24-18AWG 1.0mm²
Mechanical
  • Temp Range
    LOW-40℃ 丨TOP+105℃
  • MAX Soldering
    +250℃,5sec
  • Strip length
    11mm
Packaging
  • Net weight
    xg
  • SPQ
    12pcs
  • Packing method
    Bagged
  • MOQ
    12pcs
  • Packing method
    Boxed45cm*28cm*27cm