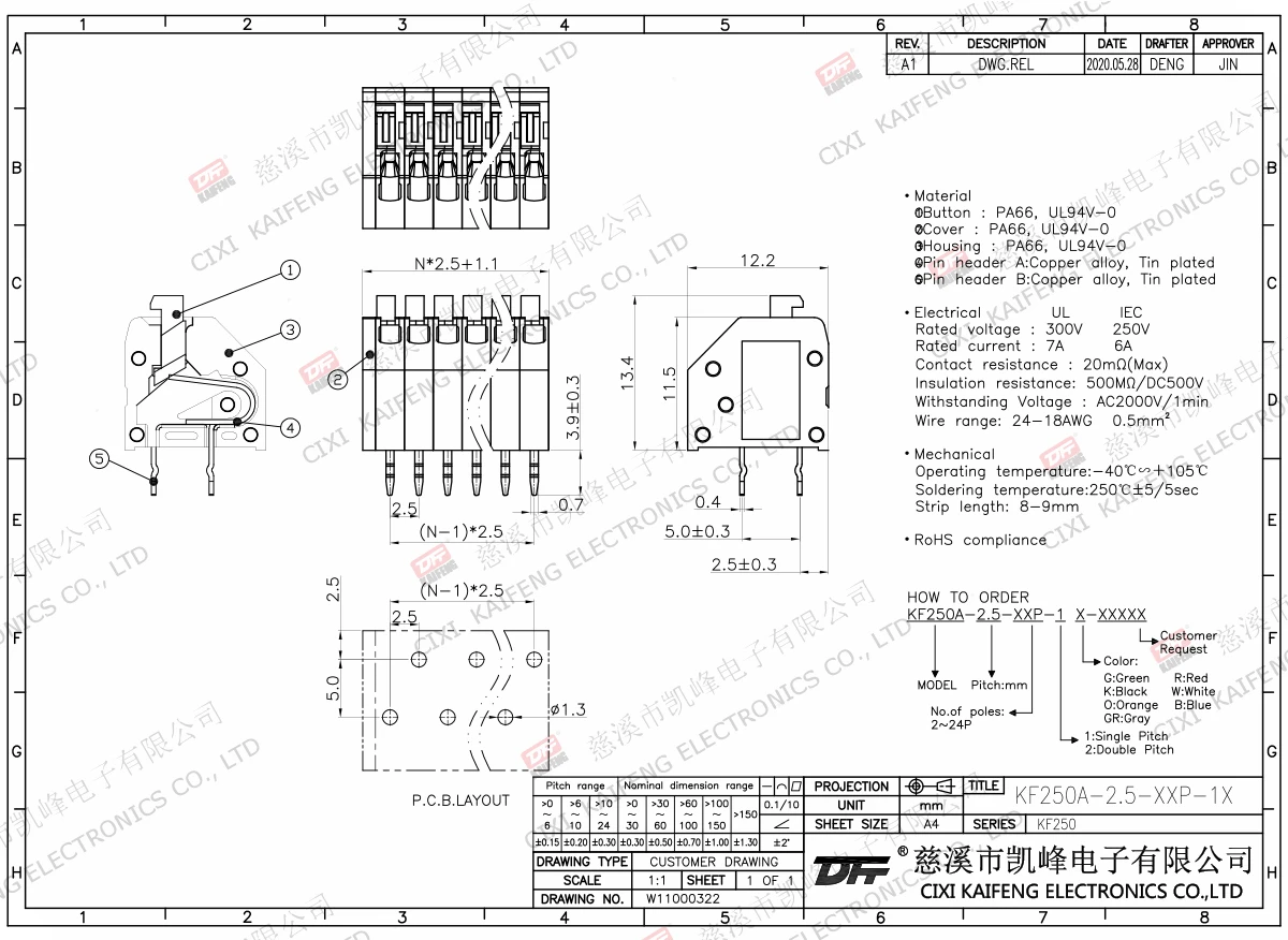
PCB Terminal Block KF250A-2.50mm
Material:①Button:PA66,UL94V-0②Cover:PA66,UL94V-0③Button:PA66,UL94V-0④Pin headerA:Brass,Tin plated⑤Pin headerB:Brass,Tin platedElectricalULIECRated voltage300V 250V Rated current7A6AContact resistance20mΩInsulation resistance500MΩ/DC500VWithstanding voltage AC2000V/1minWire range24-18AWG 0.5mm²MechanlicalTemp.rang-40℃~+105℃
Line count
- 01P
- 02P
- 03P
- 04P
- 05P
- 06P
- 07P
- 08P
- 09P
- 10P
- 11P
- 12P
- 13P
- 14P
- 15P
- 16P
- 17P
- 18P
- 19P
- 20P
- 21P
- 22P
- 23P
- 24P